Технология монтажа фасадных панелей

Фиброцементные огнеупорные фасадные хризотилцементные листы плоские прессованные (далее листы) являются уникальным продуктом для наружной и внутренней отделки дома. Уникальные свойства этого фасадного материала получены благодаря использованию инновационных передовых технологий и автоматизированного контроля качества всех процессов производства.
Навесной вентилируемый фасад из фиброцементных листов представляет собой конструкцию, состоящую из материалов облицовки и подоблицовочной конструкции, которая, в свою очередь, крепится к стене таким образом, чтобы между защитно-декоративным покрытием и стеной оставался воздушный промежуток. Наличие воздушного промежутка в вентилируемом фасаде принципиально отличает его от других типов фасадов, т. к. благодаря перепаду давления этот промежуток работает по принципу действия «вытяжной трубы». В результате чего из ограждающей конструкции в окружающую среду удаляется атмосферная и внутренняя влага. Для дополнительного утепления наружных конструкций между стеной и облицовкой может устанавливаться теплоизоляционный слой – в этом случае вентиляционный зазор оставляется между облицовкой и теплоизоляцией.
Фиброцементные листы изготавливаются из хризотила, цемента с целлюлозными волокнами и специальными добавками размерами:
- 1200х600х8 мм
- 1200х1500х8 мм
- 1200х1800х8 мм
- 1200х2400х8 мм
- 1200х3000х8 мм
- 1200х3600х8 мм

Общие положения
1. Навесной фасад с воздушным зазором представляет собой многослойную конструкцию, включающую в себя:
- Наружную стену здания (кирпич, бетон и т.д.);
- Плитный утеплитель;
- Несущую подоблицовочную металлическую конструкцию (обрешетку);
- Воздушный зазор;
- Облицовочные элементы.
2. Конструктивные элементы системы навесного фасада с воздушным зазором следует выполнять только из материалов, изготовленных в соответствии ГОСТ.
3. Не допускается эксплуатация листов:
- в вентиляционных шахтах;
- в условиях механических и динамических (кроме ветровой) нагрузок и условиях контакта с агрессивными веществами.
Обработка
1. Для обработки листов необходимо подготовить на рабочей площадке прочное основание с достаточным пространством, на котором обработка может быть выполнена безопасно и без риска повреждения листа.
2. Раскрой листа:
- При ручном раскрое производить резку с тыльной стороны.
- При раскрое на специальном станке производить раскрой лицевой стороной вверх.
- Во избежание «схватывания» хризотилцементной пыли с влагой из воздуха и порчи декоративного покрытия, раскрой производить с обязательной последующей очисткой сухим способом (обдув воздухом, ветошь).
- Рекомендуемый инструмент для раскроя – алмазный диск по бетону для сухой резки.
- При выполнении работ по раскрою необходима защита органов дыхания и зрения СИЗ.
- После раскроя необходимо закрасить места раскроя.
Монтаж
1. Монтаж листов следует начинать только после проведения работ по обследованию, сбору сведений о строении, испытания поверхности стены на несущую способность анкерных болтов, разработки проектной документации и проекта производства работ, и оформления разрешения на производство работ, в установленном порядке.
2. Монтаж следует выполнять строго в технологической последовательности и после выяснения качества работ предыдущей операции и составления акта освидетельствования скрытых работ.
3. Монтажные работы должны выполняться специализированными бригадами, имеющими лицензию на выполнение монтажных работ в соответствии с проектом, утвержденным в установленном порядке.
4. При монтаже продукции необходимо руководствоваться требованиями строительных норм и правил:
- CH KP 31-05:2018
- СНиП КР 10-01:2017
- СНиП 2.01.07-85
5. Необходимо проверить способ крепления и точные места крепежей изделий в архитектурных и конструкционных проектах. Все крепежные изделия должны соответствовать проектам. Механические крепежные изделия должны быть нержавеющими (AISI304) или кислотоупорными (AISI 316).
6. Все крепежные элементы конструкции должны быть изготовлены из одинаковых материалов (запрещается использование оцинкованных заклепок на алюминиевой подсистеме и наоборот).
7. При монтаже листов необходимо выдерживать технологический зазор между листами не менее 5-10 мм с каждой стороны.
8. Запрещается крепление одной плиты к двум последовательным стойкам. В соединениях листов и стоек необходимо оставлять зазор для теплового и гигроскопического расширения (Рисунок 1).

9. Высверливание отверстия для крепления листа на фасаде производится предварительно.
10. Расстояние отверстий от края плоских листов по вертикали 50-100 мм, по горизонтали – 30 мм. При креплении листов чрезмерная затяжка крепежного элемента недопустима, т.к. это может способствовать механическому повреждению продукции в результате гидротермального расширения и деформаций, возникающих при эксплуатации в естественных условиях (ветровая нагрузка, осадки).
11. Расстояние между отверстиями должно быть максимально по горизонтали 600 мм и по вертикали 400 мм.
12. Листы крепятся к фасадной подсистеме на заклепки с ограничительной втулкой:
- Диаметр стержня заклепки должен быть не менее 4,8 мм.
- Диаметр бортика заклепки должен быть не менее 14 мм.
- Для стартовых установочных заклепок диаметр втулки должен быть равен диаметру отверстия. Для остальных установочных точек крепежа диаметр отверстия должен превышать диаметр втулки на 3 мм для компенсации температурной влажностной деформации листа.
- Длина втулки должна превышать номинальную толщину листа на 2 мм для исключения возможных разрушений листа в точках его крепления.
13. Примеры расположений монтажных отверстий показаны в Приложениях №1 – №6 данной инструкции.
14. Подоконные сливы и ветровые планки должны быть установлены аккуратно, чтобы гарантировать водонепроницаемость фасада. Сливами и планками нельзя препятствовать вентиляции за плитой. Как в нижней, так и в верхней кромках облицовочной плиты необходимо иметь достаточные зазоры для вентиляции.
15. Загрязненную в процессе монтажа и эксплуатации окрашенную продукцию можно мыть слабым раствором моющих средств, не содержащих химически активных растворителей, мягкой губкой. Запрещена очистка поверхности абразивными материалами.
Гарантии производителя
1. Изготовитель гарантирует соответствие листов требованиям ГОСТ 18124-2012 при соблюдении потребителем установленных правил транспортирования, хранения и указаний по применению.
Приложение 1
Пример расположения монтажных отверстий на листе 1200х600х8 мм.

Приложение 2
Пример расположения монтажных отверстий на листе 1800х1200х8 мм в горизонтальном положении.

Приложение 3
Пример расположения монтажных отверстий на листе 1800х1200х8 мм в вертикальном положении.

Приложение 4
Пример расположения монтажных отверстий на листе 3000х1200х8 мм в горизонтальном положении.

Приложение 5
Пример расположения монтажных отверстий на листе 3000х1200х8 мм в вертикальном положении.

Приложение 6
Пример расположения монтажных отверстий на листе 1500х1200х8 мм в вертикальном положении.

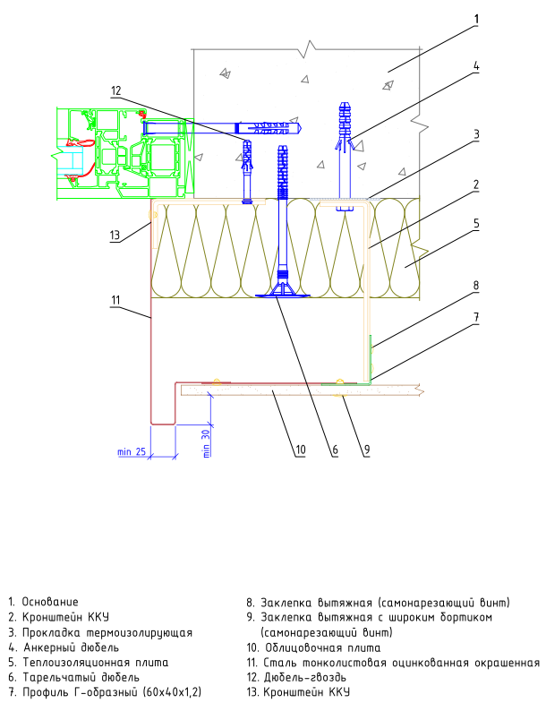
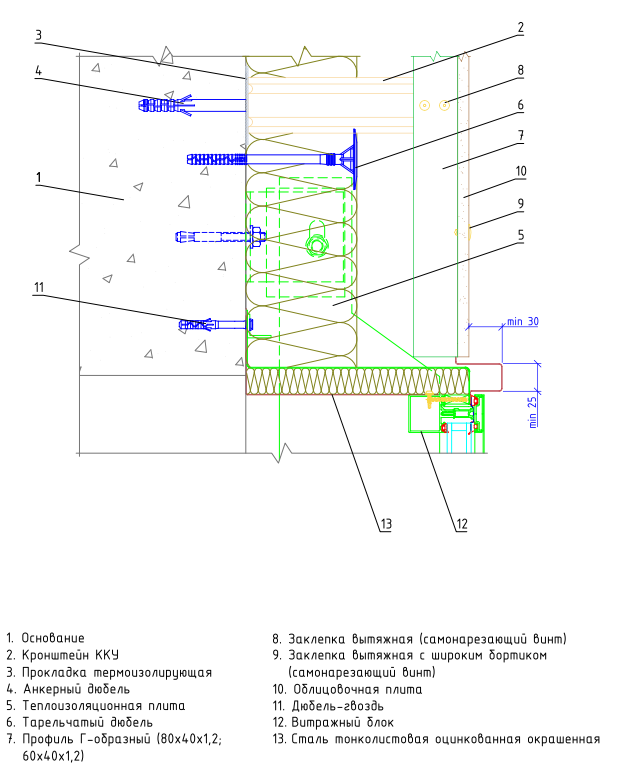
Монтажные схемы
1. Вертикально ориентированная подконструкция системы:

2. Крепление кронштейна ККУ к основанию:

3. Крепление удлинителя кронштейна УК к кронштейну ККУ:

4. Крепление Г-образного профиля к кронштейну ККУ:

5. Крепление Г-образного профиля к кронштейну ККУ:

6. Крепление облицовочных плит к подоблицовочной конструкции:

7. Крепление облицовочных плит к подоблицовочной конструкции:

8. Стык вертикальных направляющих с терморазрывом:

9. Узел монтажа вертикального деформационного шва:

10. Формирование системы на внутреннем углу здания:

11. Формирование системы на внешнем углу здания:

12. Примыкание системы к парапету:

13. Примыкание системы к цоколю:

14. Примыкание системы к верхнему откосу оконного проема:

15. Примыкание системы к боковому откосу оконного проема:

16. Примыкание системы к нижнему откосу оконного проема:

17. Боковое примыкание системы к витражу:

18. Верхнее примыкание системы к витражу:

19. Примыкание системы к отмостке (кровле):

20. Монтажная схема:

Capital Garant Group
Рекомендации разработаны с учетом общих требований, предъявляемых при работе с декоративными бумажно-слоистыми пластиками (ДБСП), полученными с применением термореактивных смол. Декоративный пластик HPL (High Pressure Laminate) производится из стандартизованного сырья, закупаемого только у проверенных поставщиков с многолетним опытом работы. Несоблюдение указанных рекомендаций может привести к возникновению дефектов и снимает гарантийные обязательства с завода.
Чем отличаются между собой гипсокартон ГКЛ, стекломагнезитный лист СМЛ и гипсостружечная плита ГСП. Приводим сравнительные характеристики материалов.


